Your current location:
Home
>
Product Center
>
Angle Clamp
Product Center
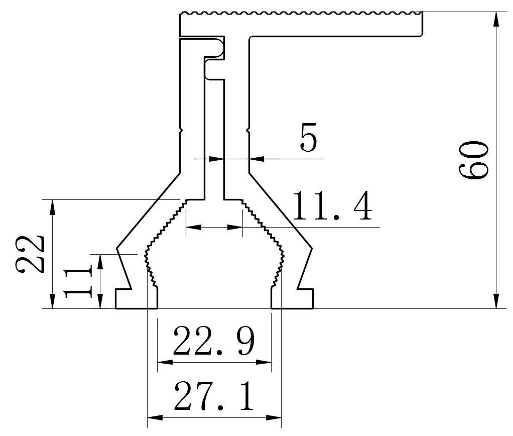
TSD-MH-JC26

All Sizes:

size1
Product Photos:



Camera Angles1 Camera Angles2 Split Diagram

