Your current location:
Home
>
Product Center
>
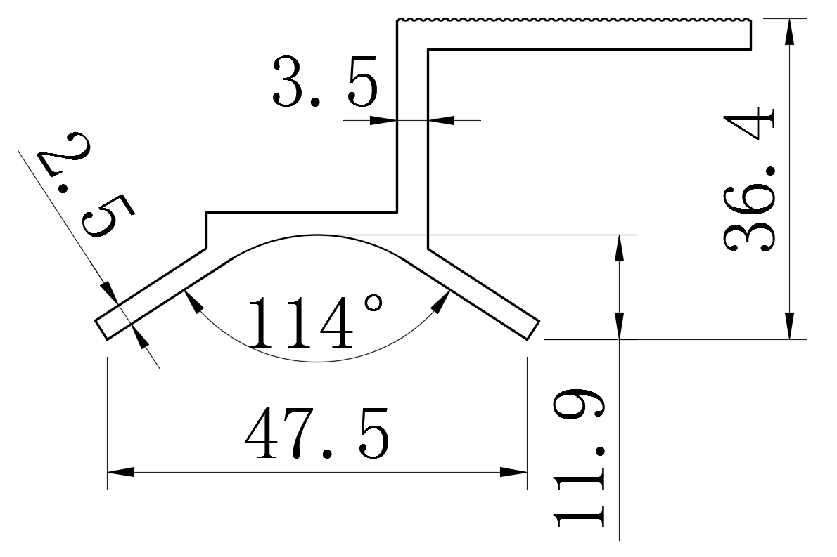
Trapezoid Clamp
Product Center
TSD-MH-T20

All Sizes:

size1
Product Photos:


Camera Angles1 Camera Angles2

