Your current location:
Home
>
Product Center
>
SeamClamp
Product Center
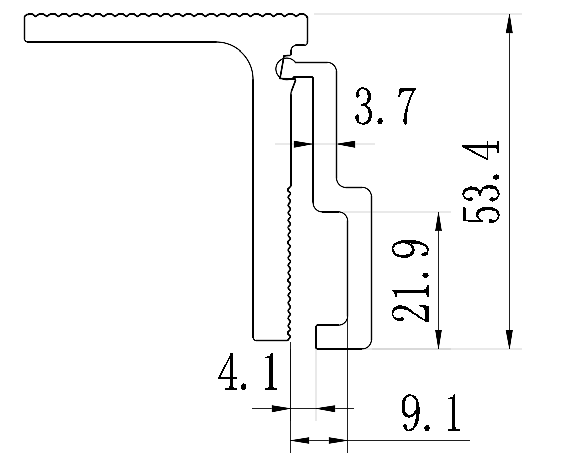
TSD-MH-ZL29

All Sizes:

size1
Product Photos:


Camera Angles1 Split Diagram

